Laborarmaturen
Die NOVALAB GmbH entwickelt und produziert am Standort Berlin innovative und hochwertige Laborarmaturen und Notduscheinrichtungen.
Die Nähe zu unseren Kunden und die jahrzehntelange Erfahrung führen zu immer neuen, maßgeschneiderten Produkten für die professionelle Anwendung in Laboren, Schulen, Institutionen und Behörden.
In zahlreichen Laboren und naturwissenschaftlichen Fachräumen sorgen die langlebigen und robusten Armaturen von NOVALAB für eine hygienische, sparsame und sichere Entnahme von Trinkwasser, entmineralisiertem Wasser, Brenngasen und technischen Gasen.
Sensorgesteuerte Armaturen der neuesten Generation ermöglichen die kontaktlose Bedienung der Trinkwasserarmaturen. Integrierte, programmierbare Stagnationsspülungen sorgen stets für hygienisch einwandfreies Trinkwasser. Zahlreiche Ausführungsvarianten dieser Elektronikarmaturen bieten nahezu unbegrenzte Einsatzmöglichkeiten unter anderem auch für entmineralisiertes Wasser.
zum Anschluss an Kalt- und Warmwasser mit integrierter Hygienespülung zum zyklischen Spülen von stagnationsgefährdeten Wasserleitungen
zum Anschluss an Kalt- oder vorgemischtes Wasser mit integrierter Hygienespülung zum zyklischen Spülen von stagnationsgefährdeten Wasserleitungen
zum Anschluss an Kalt- und Warmwasser (WPC/WPH) mit integrierter Hygienespülung zum zyklischen Spülen von stagnationsgefährdeten Wasserleitungen
vormontiert auf Edelstahlabdeckplatte zum Anschluss an Kalt- oder vorgemischtes Wasser (WPC) mit integrierter Hygienespülung zum zyklischen Spülen von stagnationsgefährdeten Wasserleitungen
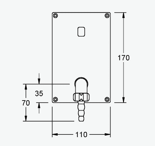
vormontiert auf Edelstahlabdeckplatte zum Anschluss an VE-Wasser (WDC) mit integrierter Hygienespülung zum zyklischen Spülen von stagnationsgefährdeten VE-Wasserleitungen
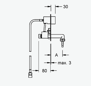
vormontiert auf Edelstahlabdeckplatte zum Anschluss an Kalt- und Warmwasser (WPC/WPH) mit Mischeinrichtung und integrierter Hygienespülung zum zyklischen Spülen von stagnationsgefährdeten Wasserleitungen
Jetzt Katalog anfordern
Produktinnovationen
Unsere Produktinnovationen 2020
rund um Hygiene und Sicherheit
NOVALAB hat ein Produktprogramm von manuellen Laborarmaturen mit integrierter Hygiene-Spüleinrichtung entwickelt. Diese programmierbare Stagnationsspülung sorgt stets für hygienisch einwandfreies Trinkwasser ohne verbleibende Totstränge, da die Spülung direkt über den Armaturenauslauf erfolgt. Zahlreiche Ausführungsvarianten dieser Laborarmaturen bieten nahezu unbegrenzte Einsatzmöglichkeiten.
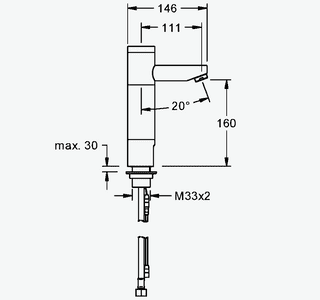
zum Anschluss an Kalt- und Warmwasser mit Hygiene-Spüleinrichtung zum zyklischen Spülen von stagnationsgefährdeten Wasserleitungen
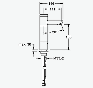
zum zyklischen Spülen von stagnationsgefährdeten Wasserleitungen zum Anschluss an Kalt- und Warmwasser, mit Keramik-Mischkartusche, Heißwasserbegrenzung und schwenkbarem Auslauf (A = 200 mm)
Jetzt Katalog anfordern
Produktinnovationen
Unsere Produktinnovationen 2020
rund um Hygiene und Sicherheit
NOVALAB hat ein autonomes Spülsystem für Laboratorien entwickelt, das jedoch auch in jedem anderen Bereich der Wasserversorgung eingesetzt werden kann. Das Spülsystem ermöglicht eine freie Programmierbarkeit der Spülintervalle sowie der Spüldauer und ist für Kalt- und Warmwasserversorgungen einsetzbar. Das NOVALAB Hygiene-Spülmodul verfügt über ein Magnetventil sowie eine integrierte programmierbare Steuerelektronik, mit denen nutzungsunabhängig die Rohrleitungen gespült werden.
zum zyklischen Spülen von stagnationsgefährdeten Wasserleitungen
zum zyklischen Spülen von stagnationsgefährdeten VE-Wasserleitungen
Jetzt Katalog anfordern
Produktinnovationen
Unsere Produktinnovationen 2020
rund um Hygiene und Sicherheit
Installationssysteme, die mit einer Trinkwasser-Versorgungsanlage hydraulisch verbunden sind, müssen Wasser in Trinkwasserqualität entsprechend der Trinkwasserverordnung führen und an sämtlichen Zapfstellen bereitstellen.
Das gilt auch für Laborinstallationen. Doch gerade in Laboratorien werden Zapfstellen oft selten, intervallartig oder nur sporadisch genutzt. Aus der daraus resultierenden Stagnation des Wassers in den Zuleitungen entsteht die Gefahr einer mikrobiellen Kontamination, die nicht nur die Nutzer, sondern das gesamte hydraulisch verbundene Hausinstallationssystem gefährdet.
Zur wirksamen Vermeidung einer solchen Situation hat sich ein regelmäßiges Spülen sämtlicher oder auch nur ausgewählter Armaturen zur Unterbrechung der Stagnationsperioden bewährt. Dies kann mittels eines personal- und zeitaufwändigem sowie fehleranfälligen manuellem Eingreifen erfolgen. Die optimale Lösung bietet jedoch ein automatisiertes Spülsystem.
NOVALAB hat ein autonomes Spülsystem für Laboratorien entwickelt, das jedoch auch in jedem anderen Bereich der Wasserversorgung eingesetzt werden kann. Das Spülsystem ermöglicht eine freie Programmierbarkeit der Spülintervalle sowie der Spüldauer und ist für Kalt- und Warmwasserversorgungen einsetzbar. Das NOVALAB Hygiene-Spülmodul verfügt über ein Magnetventil sowie eine integrierte programmierbare Steuerelektronik, mit denen nutzungsunabhängig die Rohrleitungen gespült werden.
Eine weitere Möglichkeit ist das Spülen der Rohrleitungen durch „intelligente“ Armaturen. Diese endständigen elektronischen Armaturen spülen die Versorgungsleitungen durch programmierte Spülintervalle bis zur Entnahmestelle automatisch.
Die NOVALAB Elektronik-Armaturen zur berührungslosen Nutzung haben eine integrierte nutzungs-abhängige Hygienespülung, die automatisch Spülungen auslöst.
Die Intervalle sowie die Spüldauer sind individuell programmierbar. Die Spannungsversorgung erfolgt mittels Steckernetzteil oder netzunabhängig mittels Batterie und bietet sich damit auch als Nachrüstlösung an. Aus wirtschaftlicher Sicht sind diese elektronischen Spüleinrichtung vor allem für Zapfstellen, die routinemäßig seltener oder kaum benutzt werden, aber trotzdem höchsten Sicherheits- und Hygienestandards entsprechen müssen, sinnvoll.
Darüber hinaus stellen die NOVALAB Elektronikarmaturen sicher, dass Wasser nur dann fließt, wenn es benötigt wird und reduzieren damit den Wasser- und Energieverbrauch. Durch die berührungslose Bedienung dieser Armaturen können pathogene Keime nicht über die Armatur von einem Nutzer auf einen anderen übertragen werden.
































